indbarnar1

关于金馏

———

金镏化工技术专注于精馏工艺包的研发,特别在精细化工、特种化工、稀有化工和空分等行业领域。同时提供现存精馏系统的改造服务,降低能耗、提质增效。

关于金馏
  • 工艺包/应用案例

    工艺包/应用案例

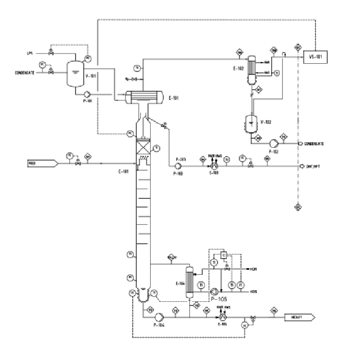
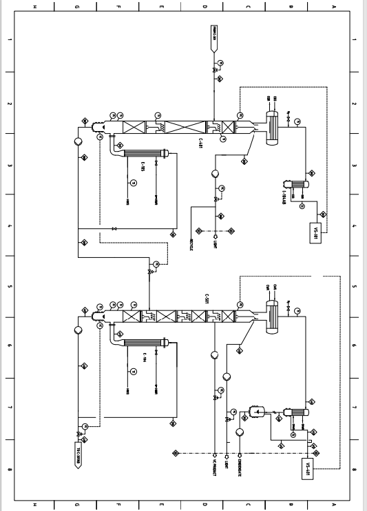
    VC/FEC精馏工艺包| 生物基PDO精馏系统| MAN精馏| 重水精馏| 甲醇回收系统| DMT精馏系统| 低温精馏| 危废气体的处理|

    了解更多信息
  • 高性能产品

    高性能产品

    精馏和吸收技术| 液液萃取技术|

    了解更多信息
  • 设备服务

    设备服务

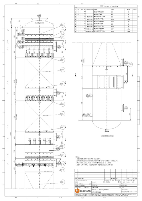
    成套工艺设备|

    了解更多信息
  • 技术服务

    技术服务

    服务范围| 工艺服务 - I| 工艺服务 - II| 工艺服务 - III| 工艺服务 - IV|

    了解更多信息

应用案例

  • VC/FEC精馏工艺包

    精细化工

    了解更多信息
  • 生物基PDO精馏系统

    精细化工

    了解更多信息
  • MAN精馏

    精细化工

    了解更多信息
  • 重水精馏

    精细化工

    了解更多信息
  • 甲醇回收系统

    精细化工

    了解更多信息
  • DMT精馏系统

    精细化工

    了解更多信息
  • 低温精馏

    空分行业

    了解更多信息
  • 危废气体的处理

    环保

    了解更多信息
Copyright © 2022 金馏化工技术(上海)有限公司 沪ICP备05040207号-2
沪公网安备31010102005400号